- -45,90 €
Marca: PVL
PVL análogo de 22,5° para placa de estator Minarelli Am6 - 3 - 4 - 5 - 94mm
Marca: PVL
PVL análogo de 13° para Minarelli Am6 - 3 - 4 - 5 - placa de estator de 94 mm
COMPARADOR DIGITAL CENTESIMAL para PVL y Selettra fase de encendido del rotor interno
Marca: Rubio's Ignitions
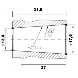
Extractor para encendidos de rotor interno PVL y Selettra
Estandarte
PVL digital para Sachs 5 - Sachs 6 - Sachs 7 con CDI Programable con 2 curvas CUSTOM - placa de estator de 90 mm
PVL Encendido de competición de rotor interno de avance variable, programable con 2 curvas, para Sachs 5 - Sachs 6 - Sachs 7
con posibilidad de incluir un limitador de revoluciones en la programación.
2 curvas seleccionables durante la conducción
Rango de programación de aprox. 40°
El kit se programará según sus necesidades, así que póngase en contacto con nosotros para decidir cómo proceder con la programación
Posibilidad de adquirir el kit de programación para proceder usted mismo a la programación
El paquete incluye:
PVL Estator digital con placa
PVL Rotor (N.B.: compruebe la exactitud del rotor, ver dibujo técnico adjunto, con respecto al eje del motor montado, en caso de dudas o diferencias póngase en contacto conmigo y encontraremos el rotor correcto)
Bobina para módulo digital CDI
Módulo CDI digital programable con 2 curvas
pipeta de 5 kohmios
Instrucciones en italiano o inglés enviadas por email
Sistema eléctrico:
Producto de carreras, excluye el sistema eléctrico, por lo que tendrá que instalar baterías para alimentar los instrumentos / luces, la corriente producida es sólo para chispear
PVL SERIE MÁXIMA PRODUCTOS NUEVOS Y ORIGINALES envío por mensajería urgente
PVL SI DESEA UN PERO SU MOTOR NO ESTÁ ENTRE LOS ENUMERADOS, NO DUDE EN PONERSE EN CONTACTO CONMIGO, VAMOS A COMPROBAR LAS MEDIDAS JUNTOS Y ENCONTRAR
¡COMPONENTES ADECUADOS PARA EL SUYO TAMBIÉN!
N.B.: se trata de productos after-market, por lo que a pesar de nuestra continua búsqueda de las aplicaciones más correctas, aún puede ser necesario realizar pequeñas modificaciones para una perfecta adaptación y montaje a una amplia variedad de motores.
Marca: Rubio's Ignitions
Extractor para encendidos de rotor interno PVL y Selettra
Marca: PVL
PVL Kits de programación para bobinas digitales programables y CDI programables
COMPARADOR DIGITAL CENTESIMAL para PVL y Selettra fase de encendido del rotor interno
Marque: PVL
PVL 30° Numérique pour Sachs 5 - Sachs 6 - Sachs 7 - plaque de stator 90mm
Marque: Rubio's Ignitions
Extracteur pour l’allumage interne du rotor PVL et Selettra
Plaque de pesée et d’inertie du volant d’inertie 200gr + entretoise 90gr
Marque: Rubio's Ignitions
Casquette Trucker Rubio « Broderie directe » taille unique s’adapte à tous les vintage des années 80 Edition limitée Navy&White
Marque: PVL
CDI PVL Numérique programmable avec 2 courbes
Marque: Rubio's Ignitions
Casquette Trucker Rubio « Broderie directe » taille unique vintage des années 80 Edition limitée Black&Black
Marque: Rubio's Ignitions
La casquette Trucker de Rubio « Broderie directe » taille unique s’adapte à tous les vintage des années 80 Edition limitée Red&White&Royal
COMPARATEUR CENTÉSIMALE NUMÉRIQUE pour le calage des allumages internes du rotor PVL et Selettra
Marque: PVL
Kit de programmation PVL pour bobines numériques programmables et CDI programmables
Marque: PVL
PVL analogique 22,5° pour Sachs 5 - Sachs 6 - Sachs 7 - plaque de stator 90mm
Marque: PVL
PVL connecteurs pour stator et bobine analogique
Marque: Rubio's Ignitions
La casquette Trucker « Direct Embroidery » de Rubio taille unique s’adapte à tous les vintage des années 80 noir/blanc
Marque: Rubio's Ignitions
Casquette Trucker Rubio « Broderie directe » taille unique vintage des années 80 Edition limitée Balck&White&Bordeaux
Marque: Rubio's Ignitions
Porte-clés avec logo Rubio's Ignitions en PVC souple
Marque: PVL
PVL analogique 13° pour Sachs 5 - Sachs 6 - Sachs 7 - plaque de stator 90mm
PVL digital para Sachs 5 - Sachs 6 - Sachs 7 con CDI Programable con 2 curvas CUSTOM - placa de estator de 90 mm