- -45,90 €
Marca: PVL
PVL 22,5° analogica per Minarelli Am6 - 3 - 4 - 5 - piastra statore 94mm
Marca: PVL
PVL 13° analogica per Minarelli Am6 - 3 - 4 - 5 - piastra statore 94mm
COMPARATORE CENTESIMALE DIGITALE per messa in fase accensioni a rotore interno PVL e Selettra
Marca: Rubio's Ignitions
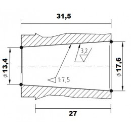
Estrattore per accensioni a rotore interno PVL e Selettra
Banner
PVL Digitale per Sachs 5 - Sachs 6 - Sachs 7 con CDI Programmabile con 2 curve PERSONALIZZATE - piastra statore 90mm
Accensione Racing a rotore interno ad anticipo variabile PVL, programmabile con 2 curve, per Sachs 5 - Sachs 6 - Sachs 7
con possibilità di inserire un limitatore di giri nella programmazione.
2 Curve selezionabili durante la marcia
Range di programmazione di circa 40°
Il Kit verrà programmato in base alle vostre esigenze, pertanto contattarci per decidere come procedere con la programmazione
Possibilità di acquistare il kit di programmazione per procedere voi stessi direttamente con la programmazione
La confezione comprende:
Statore Digitale Pvl con piastra
Rotore Pvl (N.B.: verificare la correttezza del rotore, vedere disegno tecnico in allegato, rispetto all'albero motore montato, in caso di dubbi o differenze contattatemi e troveremo il rotore corretto)
Bobina per modulo CDI digitale
Modulo CDI Digitale programmabile con 2 curve
pipetta 5 kohm
Istruzioni in italiano o inglese spedite tramite email
Impianto Elettrico:
Prodotto Racing, esclude l'impianto elettrico, quindi dovrete montare delle batterie per alimentare strumentazioni/luci, la corrente prodotta serve esclusivamente per la scintilla
MASSIMA SERIETA' PRODOTTI NUOVI ED ORIGINALI PVL spedizione tramite corriere espresso
SE VOLETE UNA PVL MA IL VOSTRO MOTORE NON E' TRA QUELLI IN ELENCO, NON ESITATE A CONTATTARMI, VERIFICHEREMO INSIEME LE MISURE E TROVEREMO
I COMPONENTI ADATTI ANCHE PER IL VOSTRO !
N.B.: trattasi di prodotti after market, pertanto nonostante la nostra continua ricerca delle applicazioni più corrette, potrebbe esserci comunque la necessità di apportare piccole modifiche per il perfetto adattamento e montaggio ai più svariati motori.
Marca: Rubio's Ignitions
Estrattore per accensioni a rotore interno PVL e Selettra
Piattello appesantimento e inerzia volanica da 200gr + distanziale 90gr
Marca: PVL
Kit di Programmazione PVL per Bobine digitali programmabili e CDI programmabili
COMPARATORE CENTESIMALE DIGITALE per messa in fase accensioni a rotore interno PVL e Selettra
Marque: PVL
PVL 30° Numérique pour Sachs 5 - Sachs 6 - Sachs 7 - plaque de stator 90mm
Marque: Rubio's Ignitions
Extracteur pour l’allumage interne du rotor PVL et Selettra
Plaque de pesée et d’inertie du volant d’inertie 200gr + entretoise 90gr
Marque: Rubio's Ignitions
Casquette Trucker Rubio « Broderie directe » taille unique s’adapte à tous les vintage des années 80 Edition limitée Navy&White
Marque: PVL
CDI PVL Numérique programmable avec 2 courbes
Marque: Rubio's Ignitions
Casquette Trucker Rubio « Broderie directe » taille unique vintage des années 80 Edition limitée Black&Black
Marque: Rubio's Ignitions
La casquette Trucker de Rubio « Broderie directe » taille unique s’adapte à tous les vintage des années 80 Edition limitée Red&White&Royal
COMPARATEUR CENTÉSIMALE NUMÉRIQUE pour le calage des allumages internes du rotor PVL et Selettra
Marque: PVL
Kit de programmation PVL pour bobines numériques programmables et CDI programmables
Marque: PVL
PVL analogique 22,5° pour Sachs 5 - Sachs 6 - Sachs 7 - plaque de stator 90mm
Marque: PVL
PVL connecteurs pour stator et bobine analogique
Marque: Rubio's Ignitions
La casquette Trucker « Direct Embroidery » de Rubio taille unique s’adapte à tous les vintage des années 80 noir/blanc
Marque: Rubio's Ignitions
Casquette Trucker Rubio « Broderie directe » taille unique vintage des années 80 Edition limitée Balck&White&Bordeaux
Marque: Rubio's Ignitions
Porte-clés avec logo Rubio's Ignitions en PVC souple
Marque: PVL
PVL analogique 13° pour Sachs 5 - Sachs 6 - Sachs 7 - plaque de stator 90mm
PVL Digitale per Sachs 5 - Sachs 6 - Sachs 7 con CDI Programmabile con 2 curve PERSONALIZZATE - piastra statore 90mm